一、肾上腺皮质功能亢进
肾上腺皮质分泌糖皮质激素(在人类主要是皮质醇)、盐皮质激素及肾上腺雄激素。肾上腺皮持功能亢进(hyperadrenalism)根据何种激素分泌过多可分为不同的综合征,以下两种较多见。
(一)Cushing综合征
Cushing综合征时,糖皮质激素长期分泌过多,促进蛋白异化,继发脂肪沉着。表现为满月脸、向心性肥胖、皮肤变薄并出现紫纹、多毛、痤疮、高血压、糖耐量降低、月经失调及性功能减退、骨质疏松、肌肉无力等。其病因有以下几种。
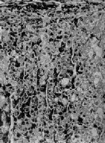
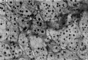
1.垂体性Cushing综合征 主要由垂体ACTH细胞腺瘤所引起,少数由于下丘脑异常分泌过多的促皮质释放因子(CRF)所致。血清中ACTH增高,双侧肾上腺呈弥漫性中度肥大,重量可达20g(正常8g左右),切面皮质厚度可超过2mm,呈脑回状。镜下主要是网状带及束状带细胞增生(图15-13、图15-14)。

图15-13 肾上腺皮质弥漫增生(大体)
肾上腺肥大,皮质弥漫性增厚,切面呈脑回状

图15-14 肾上腺皮质弥漫增生
图15-13之镜下观,肾上腺皮质束状带弥漫性增厚
2.异位分泌ACTH或CRF肿瘤肾上腺变化与上述同。
3.肾上腺皮质结节性增生(adrenocortical nodular hyperplasia)其原因不明,有的呈家族性。双侧肾上腺明显肥大,重量可超过50g,在弥漫增生的基础上又有许多增生的结节,大小不等,直径从数毫米至2.5cm。镜下,弥漫增生者主为网状带及束状带细胞,而结节内多为束状带细胞,常见多量脂褐素,致结节呈棕褐色。患者血清ACTH水平下降。
4.功能性肾上腺肿瘤 除肿瘤变化外,血清中ACTH减少,致使肾上腺非肿瘤部分萎缩。
5.长期使用糖皮质激素类药物 例如地塞米松(dexamethasone),由于反馈抑制垂体前叶释放ACTH,故血清中ACTH等减少,双侧肾上腺皮质萎缩。
(二)醛固酮增多症
原发性醛固酮增多症(primary aldosteronism)是肾上腺皮质增生的细胞分泌过多的醛固酮所致,引起高血钠症、低血钾症及高血压。本症血清中肾素降低,这是由于钠潴留使血容量增多,抑制了肾素的释放。本病80%是由于功能性肾上腺肿瘤引起,其余为原因不明的两侧肾上腺皮质增生等,这种增生常呈弥漫性,有时也呈结节状,镜下主要为球状带细胞增生,有时也混杂些束状带细胞。
继发性醛固酮增多症是由于各种疾病造成肾素分泌增多所致,肾素可使血浆中的血管紧张素原转变为血管肾张素,后者刺激球状带细胞使醛固酮的分泌增多。
二、肾上腺皮质功能低下
(一)急性肾上腺皮质功能低下症
急性肾上腺皮质功能低下症(acute adrenocortical insufficiency)的病因主要有①皮质大片出血、双侧肾上腺静脉血栓形成,多为败血症的合并症,可能由于毒素损伤了血管,或者由于DIC所致;②在慢性肾上腺皮质功能低下的基础上,由于重症感染、外伤引起了应激反应;③长期皮质激素治疗后突然停药。临床出现血压下降、休克、昏迷等症状,严重时可致死亡。
(二)慢性肾上腺皮质功能低下症
本病又称Addison病,乃由两侧肾上腺皮质严重破坏所致,当破坏超过90%时才出现临床症状,否则为亚临床型。发病呈隐匿性,主要症状是皮肤和粘膜以及瘢痕处的黑色素沉着增加,这是由于肾上腺皮质激素减少,促进垂体ACTH及β-LPH分泌增加,而ACTH及β-LPH在氨基酸排列顺序上有相当一部份与α或β黑色素细胞刺激素(α-MSH、β-MSH)氨基酸顺序相同,故有MSH活性(成人垂体不合成MSH),促进黑色素细胞制造黑色素。由于ACTH分泌不足而导致的继发性肾上腺皮质功能低下时无黑色素沉着,可与本症相鉴别。此外还有低血糖、低血压、肌力低下、易疲劳、食欲不振、体重减轻等症状。
引起本病的病因主要有双侧肾上腺结核(图15-15)和特发性肾上腺萎缩,偶尔也可因转移癌引起。特发性肾上腺萎缩(idiopathic adrenal atrophy)是自家免疫性炎症,故又称自家免疫性肾上腺炎(autoimmue adrenalitis),多见于青年,女性显著多于男性。病人血中常有抗肾上腺皮质细胞线粒体或微粒体抗体,常与其他自家免疫性疾病合并。双侧肾上腺高度萎缩,共重2.5g以下;皮质菲薄,镜下除皮质萎缩外,有大量淋巴细胞和浆细胞浸润。

图15-15 双侧肾上腺结核
三、肾上腺肿瘤
(一)肾上腺皮质腺瘤
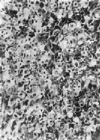
肾上腺皮质腺瘤与局灶性结节性增生的病变相似,两者可以并发。腺瘤通常是单侧单发性,并有薄层包膜,对周围组织有压迫现象,为鉴别的主要点。大小直径为1~5cm,切面黄色,有时呈红褐色,镜下多为类似束状带的泡沫状透明细胞,含有丰富类脂质,有时由类脂含量少的嗜酸性细胞构成,或者两种细胞混合存在。瘤细胞排列成团,由含有毛细血管的少量间质分隔(图15-16)。部分腺瘤为功能性,可引起醛固酮增多症或Cushing综合征,在形态上与非功能性腺瘤没有区别。


图15-16 肾上腺皮质腺瘤
上图 下图
(二)肾上腺皮质癌
肾上腺皮质癌(adrenocortical carcinoma)甚少见,一般为功能性,发现时一般比腺瘤大,重量常超过100g,呈浸润性生长,正常肾上腺组织破坏或被淹没,向外侵犯周围脂肪组织甚至该侧肾。小的腺癌可有包膜。切面棕黄色,常见出血、坏死及囊性变。镜下分化差者异型性高,瘤细胞大小不等,并可见怪形核及多核,核分裂像多见(图15-17)。常转移到腹主动脉淋巴结或血行转移到肺、肝等处。分化高者镜下像腺瘤,如果癌体小又有包膜,很难与腺瘤区别,有人认为直径超过3cm者,应多考虑为高分化腺癌。

图15-17 肾上腺皮质癌
(三)肾上腺髓质肿瘤
肾上腺髓质来自神经嵴,原始细胞为交感神经母细胞,以后分化为神经节细胞及嗜铬细胞,因此可形成神经母细胞瘤、神经节细胞瘤及嗜铬细胞瘤(神经母细胞瘤及神经节细胞瘤详见第十六章)。
嗜铬细胞瘤(phenochromocytoma) 80%~90%发生于肾上腺髓质,绝大部分为单侧单发性,偶尔见于双侧,90%为良性,好发于30~50岁。肿瘤细胞可分泌去甲肾上腺素和肾上腺素,以去甲肾上腺素为主,偶尔也分泌多巴胺及其他激素,故临床主要有儿茶酚胺过高的症状,表现为血压增高,多呈间歇性发作,并伴有头痛、发汗、末梢血管收缩、脉搏加快、血糖增高、基础代谢上升等症状。肉眼观,大小不一,平均100g左右,甚至可达2000g,有包膜,切面灰红色、灰褐色,常见出血、坏死、囊性变及坏死灶。镜下嗜铬细胞为大多角形细胞,形成细胞索或细胞巢,可有不同程度的多形性,有时出现巨细胞,瘤细胞胞浆内有大量嗜铬的微细颗粒;电镜下,颗粒有包膜,电子致密度低者含有肾上腺素,而包膜不清楚电子致密度高者含有去甲肾上腺素,用免疫组化方法亦可显示。间质主要是血窦。良、恶性肿瘤在细胞形态方面无截然界限,包膜被侵犯並不能作为恶性的肯定证据,但如有周围组织浸润及转移,则属恶性无疑。
肾上腺外嗜铬细胞瘤多为多发性,位于主动脉两侧副节细胞分布处,常称为副节细胞瘤(paraganglioma)。本瘤好发于10~20岁,多数为多发性内分泌肿瘤的一部分,40%为恶性。