结核病(tuberculosis)是由结核杆菌引起的一种慢性传染病。全身各器官均可发生,但以肺结核最为多见。其病变特征是结核结节形成并伴有不同程度的干酪样坏死。
【病因和发病机制】
结核病的病原菌是结核杆菌,对人致病的主要类型为人型和牛型。结核杆菌含有脂质、蛋白和多糖类三种成分:①脂质:特别是脂质中的糖脂更为重要。糖脂的衍生物之一称索状因子(cord factor),能使结核杆菌在培养基上生长时呈蜿蜒索状排列。这种形式生长的结核杆菌在动物体内具有毒力。另一种糖脂为蜡质D(wax D),将其与结核菌体蛋白一起注入动物体内,能引起强烈的变态反应,造成机体的损伤。此外,磷脂还能使炎症灶中的巨噬细胞转变为类上皮细胞,从而形成结核结节。脂质除可能与毒力有关外,还可保护菌体不易被巨噬细胞消化。②蛋白:具有抗原性,与蜡质D结合后能使机体发生变态反应,引起组织坏死和全身中毒症状,并在形成结核结节中发挥一定的作用。③多糖类:可引起局部中性粒细胞浸润,并可作为半抗原参与免疫反应。
结核病主要经呼吸道传染。肺结核(主要是空洞型肺结核)病人在谈话、咳嗽和喷嚏时,从呼吸道排出大量带菌微滴(每个微滴可含10~20个细菌)。吸进这些带菌的微滴即可造成感染。少数病人可因食入带菌的食物经消化道感染。细菌经皮肤伤口感染者极少见。
结核病的发生和发展取决于很多因素,其中最重要的是感染的菌量及其毒力的大小和机体的反应性(免疫反应或变态反应)。后者在结核病的发病学上起着特别重要的作用。
目前一般认为,结核病的免疫反应以细胞免疫为主,即T细胞起主要作用。它在受到结核菌的抗原刺激后可转化为致敏的淋巴细胞。当再次与结核杆菌相遇时,致敏的淋巴细胞可很快分裂、增殖,并释放出各种淋巴因子,如巨噬细胞趋化因子、集聚因子、移动抑制因子和激活因子等。这些因子可使巨噬细胞移向结核杆菌,并聚集于该处不再移动,这样就能把结核杆菌限制在局部不致扩散。同时还激活了巨噬细胞,使巨噬细胞体积增大,伪足形成活跃,溶酶体含量增加,细胞内pH下降等。这些改变有助于使吞入的细菌更易被水解、消化和杀灭。此外,激活后的T细胞还可释放其他淋巴因子,加强这一免疫反应,如结核杆菌的生长抑制因子能通过巨噬细胞特异性地抑制细胞内结核杆菌的繁殖而获得免疫。结核结节的形成就是上述各种反应的具体形态学表现。
结核病时发生的变态反应属于IV型(迟发性)变态反应。结核菌素试验就是这种反应的表现,本质上亦为细胞免疫反应。
结核病免疫反应和变态反应常同时发生并相伴出现,但两者关系如何及其对结核病的发生、发展有何影响等问题,长期来尚未解决。在结核病的诊断方面,基因诊断作为结核菌的非培养诊断技术是近年来结核病快速诊断的一项重大突破。它乃借分析结核菌的遗传物质核酸而特异,敏感、快速地检测和鉴定结核杆菌。目前用于结核菌检测和鉴定的基因诊断方法有基因探针技术、染色体指纹技术和PCR技术。
【结核病的基本病变】
结核杆菌在机体内引起的病变属于特殊性炎症,虽其病变具有一般炎症的渗出、坏死和增生三种基本变化,但有其特异性。由于机体的反应性(免疫反应和变态反应)、菌量及毒力和组织特性的不同,可出现以下不同的病变类型:
1.渗出为主的病变出现在结核性炎症的早期或机体免疫力低下,菌量多、毒力强,或变态反应较强时,表现为浆液性或浆液纤维素性炎。早期病灶内有中性粒细胞浸润,但很快被巨噬细胞取代。在渗出液和巨噬细胞内易查见结核杆菌。此型变化好发于肺、浆膜、滑膜和脑膜等处,说明与组织结构特性亦有一定的关系。渗出性变化可完全吸收不留痕迹,或转变为以增生为主或以坏死为主的病变。
2.增生为主的变化当菌量较少,毒力较低或人体免疫反应较强时,则发生以增生为主的变化,形成具有一定诊断特征的结核结节(结核性肉芽肿)。单个结核结节肉眼不易看见,三、四个结节融合成较大结节时才能见到。其境界分明,约粟粒大小,呈灰白半透明状,有干酪样坏死时则略呈黄色,可微隆起于器官表面。
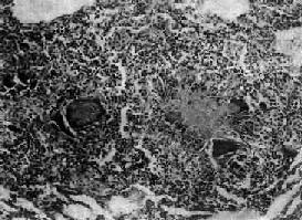
结核结节(tubercle)是在细胞免疫基础上形成的,由类上皮细胞(epithelioid cell)、Langhans巨细胞加上外围局部集聚的淋巴细胞和少量反应性增生的纤维母细胞构成。当有较强的变态反应发生时,结核结节中便出现干酪样坏死。巨噬细胞体积增大逐渐转变为类上皮细胞,呈梭形或多角形,胞浆丰富,染淡伊红色,境界不清。核呈圆或卵圆形,染色质甚少,甚至可呈空泡状,核内可有1~2个核仁。多数类上皮细胞互相融合乃形成Langhans巨细胞,为一种多核巨细胞,体积很大,直径可达300μm,胞浆丰富,核与类上皮细胞核的形态大致相同,核数由十几个到几十个不等,有超过百个者。核排列在胞浆的周围呈花环状、马蹄形或密集在胞体的一端(图18-1)。

图18-1 结核性肉芽肿
结节中央为干酪样坏死,周围绕有类上皮细胞、Langhans巨细胞以及淋巴细胞等
3.坏死为主的变化在结核杆菌数量多、毒力强,机体抵抗力低或变态反应强烈的情况下,上述渗出性和增生性病变均可继发干酪样坏死。病变一开始便呈现干酪样坏死者十分少见。由于坏死组织含脂质较多(脂质来自破坏的结核杆菌和脂肪变性的单核细胞)而呈淡黄色,均匀细腻,质地较实,状似奶酪,故称干酪样坏死。镜下见为红染无结构的颗粒状物。干酪样坏死的形态特点,特别是肉眼所见对结核病的病理诊断具有一定的意义。干酪样坏死物中大都含有一定量的结核杆菌。
干酪样坏死灶内含有多量抑制酶活性的物质,故坏死物可不发生自溶、排出,也不易被吸收。但有时也能发生软化和液化,形成半流体物质。随着液化,结核杆菌大量繁殖,更进一步促进液化的发生。液化固有利于干酪样坏死物的排出,但更重要的是可成为结核菌在体内蔓延扩散的来源,是结核病恶化进展的原因。
以上渗出、增生和坏死三种变化往往同时存在而以某一种改变为主,而且可互相转化。例如渗出性病变可因适当治疗或机体免疫力增强而转化为增生性病变;反之,在机体免疫力下降或处于较强的变态反应状态时,原来的增生性病变则可转变为渗出性、坏死性病变,或原来的渗出性病变转化为坏死性病变。因此,在同一器官或不同器官中的结核病变是复杂多变的。
【结核病基本病变的转化规律】
结核病变的发展和结局取决于机体抵抗力和结核菌致病力之间的矛盾关系。当人体抵抗力增强时,细菌逐渐被控制而消灭,结核病变转向愈复;反之,则转向恶化。
1.转向愈复主要表现为病变的吸收消散、纤维化、纤维包裹和钙化。
(1)吸收消散:为渗出性病变的主要愈复方式。渗出物逐渐通过淋巴道吸收,病灶缩小或完全吸收消散。较小的干酪样坏死灶和增生性病变如治疗得当也可被吸收。
(2)纤维化、纤维包裹及钙化:增生性结核结节转向愈复时,其中的类上皮细胞逐渐萎缩,结节周围的增生纤维母细胞长入结核结节形成纤维组织,使结节纤维化。未被完全吸收的渗出性病变也可通过机化而发生纤维化。小的干酪样坏死灶(1~2mm)可完全纤维化;较大者难以完全纤维化而由坏死灶周围的纤维组织增生,将干酪样坏死物质加以包裹,以后干酪样坏死逐渐干燥浓缩,并有钙质沉着而发生钙化。
病灶发生纤维化后,一般已无结核杆菌存活,可谓完全痊愈。在被包裹、钙化的干酪样坏死灶中仍有少量细菌存活,病变只处于相对静止状态(临床痊愈),当机体抵抗力下降时病变可复燃进展。
2.转向恶化主要表现为病灶扩大和溶解播散。
(1)病灶扩大:病变恶化进展时,在病灶周围出现渗出性病变(病灶周围炎),其范围不断扩大,并继而发生干酪样坏死。坏死区又随渗出性病变的扩延而增大。
(2)溶解播散:干酪样坏死物发生溶解液化后,可经体内的自然管道(如支气管、输尿管等)排出,致局部形成空洞。空洞内液化的干酪样坏死物中含有大量结核杆菌,可通过自然管道播散到其他部位,引起新的病灶。如肺结核性空洞通过支气管播散可在同侧或对侧肺内形成多数新的以渗出、坏死为主的结核病灶。此外,结核杆菌还可通过淋巴道蔓延到淋巴结,经血道播散至全身,在各器官内形成多数结核病灶。